Domů / Novinky

Novinky

Aplikace Zemědělského řetězce V Zemědělské Automatizaci

Aplikace Zemědělského řetězce V Zemědělské Automatizaci

Pro průmyslové řetězce je jeho využitelnost ve všech oblastech života poměrně velká. Je vidět, že naše výroba neodmyslitelně patří ke spolupráci pr...

Jedinečné výhody převodového řetězu

Jedinečné výhody převodového řetězu

Řetěz lze rozdělit na převodový řetěz, zvedací řetěz a trakční řetěz. Zvedací řetězy a tažné řetězy se používají pro zdvihací a přepravní stroje. P...

Jaké jsou kroky návrhu převodového řetězu

Jaké jsou kroky návrhu převodového řetězu

V procesu návrhu a výroby Převodový řetěz existují čtyři kritické kroky: stříhání, splétání, svařování, „tvarování“ a tepelné zpracov...

Čtyři způsoby mazání používané v řetězu dopravníků

Čtyři způsoby mazání používané v řetězu dopravníků

V řetězovém průmyslu, Dopravní řetěz je běžně používaný typ řetězu. Během používání potřebuje také údržbu mazacího oleje. Jak tedy vy...

Jaké jsou funkce řetězu listů

Jaké jsou funkce řetězu listů

Protože součásti čepelového řetězu mají podobnou velikost jako standardní válečkový řetěz, závisí ekonomická výroba čepelového řetězu do značné mír...

Struktura A Charakteristiky Tichého řetězu

Struktura A Charakteristiky Tichého řetězu

Struktura Tichý řetěz je velmi jednoduché: pouze desky a kolíky. Existuje osm různých roztečí od 9,52 mm do 50,8 mm. Spojovací d...

Podrobnosti o záruce na válečkový řetěz

Podrobnosti o záruce na válečkový řetěz

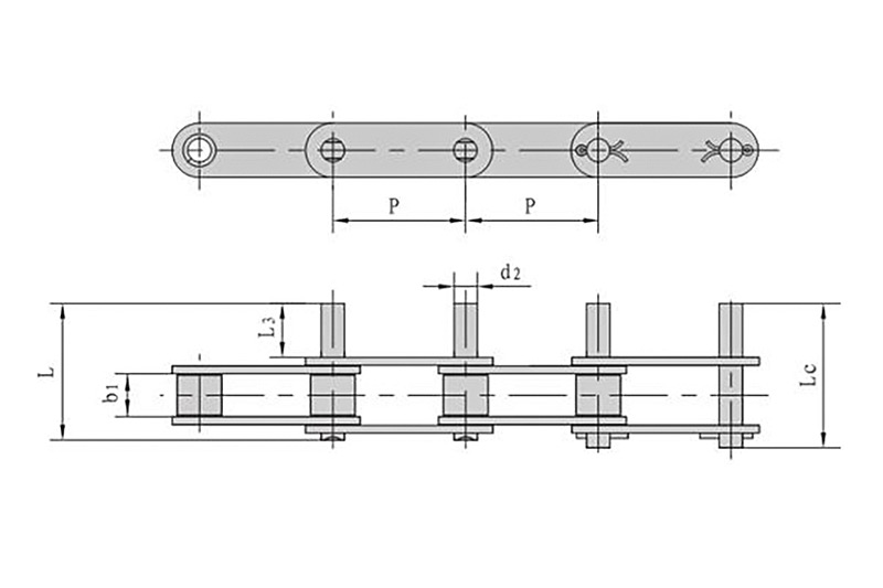
The Válečkový řetěz sestává z vnitřní řetězové destičky, vnější řetězové destičky, čepu, objímky a válečku. Mezi vnitřní spojova...

Průmyslové řetězové kolo se opotřebuje po dlouhou dobu

Průmyslové řetězové kolo se opotřebuje po dlouhou dobu

Všichni to zjistíme, pokud použijeme Průmyslové řetězové kolo po dlouhou dobu zjistíme, že Industrial Sprocket má fenomén opotřebení:...

Rozdíl mezi průmyslovým řetězovým kolem a synchronní kladkou

Rozdíl mezi průmyslovým řetězovým kolem a synchronní kladkou

Řetězové kolo je také ozubené ozubené kolo, které se používá k přesnému záběru s kroužkem roztečného řetězu nebo roztečí na kabelu. Patří k pevnému...

Jaký druh maziva je vhodný pro průmyslové řetězy

Jaký druh maziva je vhodný pro průmyslové řetězy

Kapalná olejovitá látka používaná při mazání řetězů má funkce mazání, ochrany proti korozi, vodotěsnosti a proti tření pro průmyslové řetězy. Podle...

Design hnacího řetězu je všude v životě

Design hnacího řetězu je všude v životě

Hnací řetěz designy jsou v životě všude. Jak je tedy navržen princip Drive Chain? Drive Chain je přenosová metoda, která přenáší pohyb...

Výrobce zemědělských řetězů zavádí metodu údržby mechanického řetězu

Výrobce zemědělských řetězů zavádí metodu údržby mechanického řetězu

Pokud jde o údržbu mechanických řetězů, následující popíše výrobce hzqjchain Zemědělský řetězec na základě vlastních zkušeností. ...