Domů / Novinky

Novinky

Konstrukční filozofie a pracovní postup převodového řetězu

Konstrukční filozofie a pracovní postup převodového řetězu

Převodový řetěz , jako běžné zařízení pro přenos síly, snižuje třecí sílu prostřednictvím "řetězového" designu hyperbolického oblouku. ...

Jak válečkový řetěz snižuje tvorbu statické elektřiny

Jak válečkový řetěz snižuje tvorbu statické elektřiny

Válečkový řetěz vypadá jako řetěz tanku a skládá se z mnoha článků. Články se mohou volně otáčet. Vnitřní výška, vnější výška a rozteč ...

Stručně vysvětlete, proč bude válečkový řetěz zkorodovaný

Stručně vysvětlete, proč bude válečkový řetěz zkorodovaný

Vzhledem k pracovnímu prostředí Válečkový řetěz , bude přirozeně docházet ke korozi, takže co je hlavním důvodem pro korozi válečkové...

Výrobce hnacího řetězu uvádí, proč bude doba přepravy řetězu zkreslená

Výrobce hnacího řetězu uvádí, proč bude doba přepravy řetězu zkreslená

Řetězový přenos a přeprava mohou mít pomalu chyby. Sice to není moc velké, ale při kumulaci času dojde k nějakým chybám v přenosu. Jak se tato chyb...

Jak účinně zabránit selhání převodového řetězce

Jak účinně zabránit selhání převodového řetězce

Ve výrobním procesu Převodový řetěz , pokud dojde k poruše řetězu, musí výrobce najít nejvhodnější řešení podle konkrétní formy poruc...

Jaké jsou běžné chyby řetězu dopravníků

Jaké jsou běžné chyby řetězu dopravníků

Dopravní řetěz je široce používán v průmyslových řetězcích, jako jsou stroje na dopravu potravin, zařízení na dopravu hnojiv, řetězy t...

Opatření pro údržbu řetězu listů

Opatření pro údržbu řetězu listů

Kdy Listový řetěz je instalován při aktivaci řetězu, je nutné zkontrolovat, zda řetěz funguje normálně a zda je normální napnutí řetě...

Jak udržovat průmyslové řetězové kolo

Jak udržovat průmyslové řetězové kolo

Při údržbě Průmyslové řetězové kolo , věnujte pozornost tvaru zubu řetězového kola. Tvar zubu řetězového kola musí zajistit, aby řet...

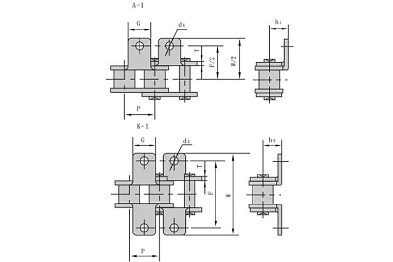
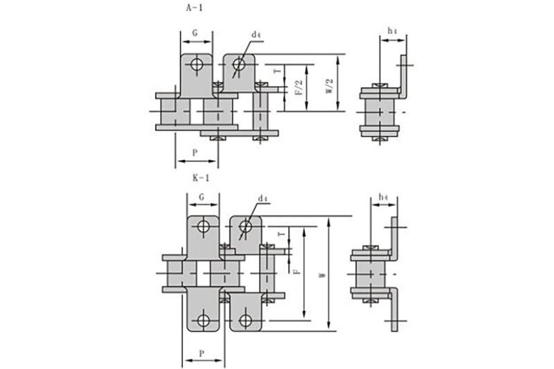
Počet článků válečkového řetězu musí být sudý

Počet článků válečkového řetězu musí být sudý

Válečkový řetěz délka řetězu je vyjádřena počtem článků. Počet řetězových článků je s výhodou sudý počet, takže když řetězy tvoří prst...

Průmyslové Řetězové Kolo Je Pevné Nebo Paprskové Ozubené kolo

Průmyslové Řetězové Kolo Je Pevné Nebo Paprskové Ozubené kolo

Průmyslové řetězové kolo označuje kolo se zuby ozubené přezky, které se používá k záběru s blokem s přesným stoupáním na článkovém řet...

Jak udržovat průmyslový řetězec, aby se prodloužila životnost

Jak udržovat průmyslový řetězec, aby se prodloužila životnost

Průmyslový řetězec se po dlouhodobém používání stane laxním nebo dokonce odpojeným a jak takovým problémům předcházet? Nejprve by...

Kroky k výměně řetězu motocyklu

Kroky k výměně řetězu motocyklu

Když Motocyklový řetěz má být vyměněn, je třeba poznamenat, že řetěz a řetězové kolo musí být vyměněny společně. Nový řetěz urychlí s...