Domů / Novinky

Novinky

Výrobci řetězů listů zavádějí opatření pro čištění řetězu

Výrobci řetězů listů zavádějí opatření pro čištění řetězu

Většina řetězů na trhu je vyrobena z nerezové oceli, protože surovina nerezové oceli je poměrně tvrdá. Silná nosnost, ale po dlouhodobém používá...

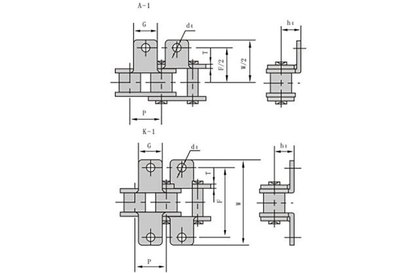
Výrobci průmyslových řetězů představují, jak rozlišit typ řetězu

Výrobci průmyslových řetězů představují, jak rozlišit typ řetězu

Dopravníkový řetěz je vhodný pro vypalování barev, lakování kovů, výrobní montážní linky v továrnách, jako jsou továrny na nábytek, továrny na l...

Výrobce Silent Chain zavádí rozumné metody měření pro řetězy

Výrobce Silent Chain zavádí rozumné metody měření pro řetězy

ano Tichý řetěz Výrobce uvádí, jaké jsou rozumné metody měření řetězů? 1. Aby se odstranila veškerá vůle řetězu, je nut...

Výrobce motocyklových řetězů zavádí metodu čištění řetězu z nerezové oceli

Výrobce motocyklových řetězů zavádí metodu čištění řetězu z nerezové oceli

Motocyklový řetěz Výrobce uvádí řetěz z nerezové oceli jako univerzální převodové zařízení. Podle návrhového schématu hyperbolického ob...

Výrobci válečkových řetězů zavádějí princip konstrukce profilu zubů řetězového kola

Výrobci válečkových řetězů zavádějí princip konstrukce profilu zubů řetězového kola

Válečkový řetěz Výrobci zavádějí konstrukční principy profilu zubů řetězového kola: 1. Tvar profilu zubu řetězového kola: tří...

Výrobci hnacích řetězů představují praktické dovednosti řetězového kola

Výrobci hnacích řetězů představují praktické dovednosti řetězového kola

Hnací řetěz Výrobci představují praktické dovednosti řetězového kola: 1. Těsnost řetězového kola by měla být přiměřená. Příl...

Opatření pro používání zemědělského řetězce

Opatření pro používání zemědělského řetězce

Zemědělský řetězec chyby mohou ovlivnit správnost pohybu nástroje a v některých případech je to hlavní faktor ovlivňující přesnost obr...

Jak správně vyčistit převodový řetěz

Jak správně vyčistit převodový řetěz

Můžete také použít horkou mýdlovou vodu nebo dezinfekci na ruce, případně použít vyřazený zubní kartáček nebo trochu tvrdší kartáček. Opláchněte př...

Výrobci dopravních řetězů denně představují, jak správně udržovat řetěz

Výrobci dopravních řetězů denně představují, jak správně udržovat řetěz

Nerezový zvedací řetěz může upravit délku řetězu podle výšky zdvihu zvedaného předmětu. Je to nepostradatelné a důležité zvedací zařízení pro je...

Výrobci průmyslových řetězových kol zavádějí manipulační techniky pro řetězové uhlíkové vklady

Výrobci průmyslových řetězových kol zavádějí manipulační techniky pro řetězové uhlíkové vklady

Když se řetězy z nerezové oceli používají v mechanických zařízeních, nevyhnutelně se na nich uchytí určité nečistoty, z nichž většinu tvoří uhlí...

Leaf Chain Manufacturers představuje Proč se řetěz přetrhne

Leaf Chain Manufacturers představuje Proč se řetěz přetrhne

Listový řetěz Výrobci představili důvody a řešení, které způsobily přetržení řetězu: 1. V průběhu používání se v důsledku dlo...

Výrobci průmyslových řetězů představují vlastnosti vysoce kvalitních řetězů

Výrobci průmyslových řetězů představují vlastnosti vysoce kvalitních řetězů

Průmyslový řetězec Výrobci představují vlastnosti vysoce kvalitních řetězů: 1. Dobrá spolehlivost a ochrana. Řetěz dopr...