Domů / Novinky

Novinky

Dovednosti údržby tichého řetězu

Dovednosti údržby tichého řetězu

Řetěz je obecně kovový článek nebo kroužek, který se většinou používá pro mechanický převod a trakci. Pojďme se podívat na způsoby údržby ...

Jaké jsou běžné příčiny poškození řetězu motocyklu

Jaké jsou běžné příčiny poškození řetězu motocyklu

Motocyklový řetěz , jako běžné zařízení pro přenos síly, používá hyperbolický obloukový "řetězový" design pro snížení tření. Používá se v mís...

Jaké jsou části válečkového řetězu

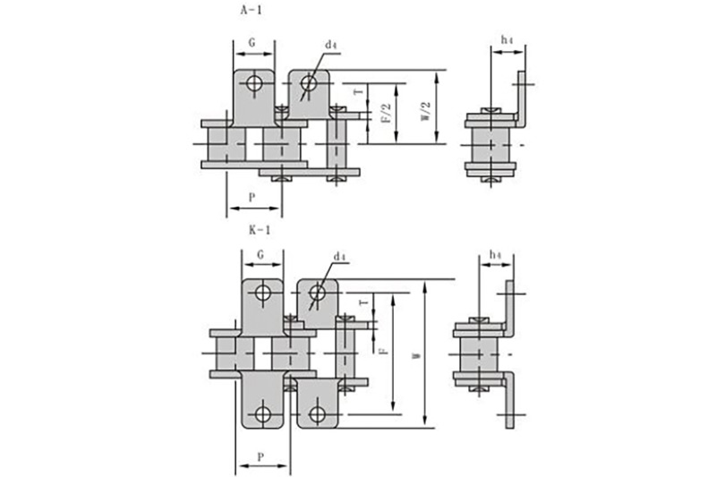
Jaké jsou části válečkového řetězu

Jaké jsou části Válečkový řetěz ? 1. Hřídel čepu: štíhlý válcový prvek používaný jako osa otáčení řetězového závěsu. ...

Výrobci hnacích řetězů představují vztah mezi řetězem a řetězovým kolem

Výrobci hnacích řetězů představují vztah mezi řetězem a řetězovým kolem

Hnací řetěz Výrobci zavedli, že řetězové kolo je poháněno řetězem a modelová jednotka je obecně v angličtině. Existují jednořadé, dvouř...

Výrobce zemědělských řetězů zavádí přípravu řetězu

Výrobce zemědělských řetězů zavádí přípravu řetězu

Zemědělský řetězec výrobce zavádí, že řetěz musí být před spuštěním připraven ke kontrole, zda jsou v řetězu šrouby a zda jsou uvolněné...

Výrobce převodového řetězu představuje způsob údržby řetězu

Výrobce převodového řetězu představuje způsob údržby řetězu

Když je řetěz podroben antikorozní úpravě pro vyřešení provozního procesu, je nutné nejprve otřít jeho povrch mořicí pastou a zajistit, aby tlou...

Proč má listový řetěz běžné problémy s odchylkou

Proč má listový řetěz běžné problémy s odchylkou

S neustálým vývojovým trendem v oblasti řetězu z nerezové oceli se také široce používají řetězové výrobky z nerezové oceli. Mezi nimi je hojně v...

Podrobnosti o každodenní údržbě průmyslového řetězce

Podrobnosti o každodenní údržbě průmyslového řetězce

Průmyslový řetězec je výhody a podrobnosti o každodenní údržbě: 1. Pokud je hnací řetěz v opačném směru, seřiďte...

Výrobci tichých řetězů představují, jak se správně vypořádat s chybou řetězového kola z nerezové oceli

Výrobci tichých řetězů představují, jak se správně vypořádat s chybou řetězového kola z nerezové oceli

Tichý řetěz Výrobci uvádí, jak se správně vypořádat s chybou nerezového řetězového kola? Sledujte vodorovný pohyb bubnu...

Výrobci motocyklových řetězů zavádějí běžné metody odstraňování problémů s řetězovým kolem

Výrobci motocyklových řetězů zavádějí běžné metody odstraňování problémů s řetězovým kolem

Motocyklový řetěz Výrobci zavádějí běžné metody odstraňování problémů s ozubeným kolem: 1. Důvod nerovnoměrné únosnosti...

Roller Chain Manufacturers uvádí, jak správně řešit chyby řetězového kola

Roller Chain Manufacturers uvádí, jak správně řešit chyby řetězového kola

Když má řetězové kolo z nerezové oceli chybu, neměli bychom s jejím řešením spěchat. Pojďme se řídit Válečkový řetěz Výrobci správně ...

Výrobci hnacích řetězů představují, jak rychle odstranit poškozená ložiska řetězových kol

Výrobci hnacích řetězů představují, jak rychle odstranit poškozená ložiska řetězových kol

Hnací řetěz Výrobci představili, jak rychle odstranit poškozená ložiska řetězových kol: 1. Postupně sejměte koncové a šroubo...